產品編號:GEFZ...T 4.83~25.4
滑動磨擦副:鋼/PTFE編織物
產品特點:外圈材料為碳鋼,球面粘貼PTFE編織物,擠壓成形,內圈材料為軸承鋼,淬火,球面鍍硬鉻。
使用溫度范圍:-50℃~+150℃
軸 承 型 號 Bearing number | 外 形 尺 寸 Dimensions mm/inch | 額定載荷 Load ratings kN | 重 量 Weight ≈kg | ||||||||
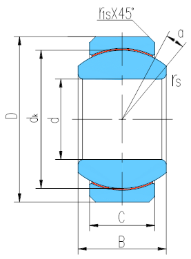
d | D | B | C | dk | rs min | r1s min | α? ≈ | 動載荷 Dynamic | 靜載荷 Static | ||
GEFZ4T | 4.83 | 14.29 | 7.14 | 5.54 | 10.31 | 0.3 | 0.38 | 11 | 7.4 | 11 | 0.006 |
0.19 | 0.5625 | 0.281 | 0.218 | 0.406 | 0.012 | 0.015 | |||||
GEFZ6T | 6.35 | 16.67 | 8.71 | 6.35 | 12.70 | 0.3 | 0.56 | 13 | 10 | 15 | 0.010 |
0.25 | 0.6562 | 0.343 | 0.25 | 0.5 | 0.012 | 0.022 | |||||
GEFZ7T | 7.94 | 19.05 | 9.53 | 7.14 | 14.27 | 0.3 | 0.81 | 11 | 13 | 19 | 0.014 |
0.3125 | 0.75 | 0.375 | 0.281 | 0.562 | 0.012 | 0.032 | |||||
GEFZ9T | 9.53 | 20.64 | 10.31 | 7.92 | 16.66 | 0.3 | 0.81 | 9 | 17 | 25 | 0.018 |
0.375 | 0.8125 | 0.406 | 0.312 | 0.656 | 0.012 | 0.032 | |||||
GEFZ11T | 11.11 | 23.02 | 11.10 | 8.71 | 17.45 | 0.3 | 0.81 | 9 | 19 | 28 | 0.021 |
0.4375 | 0.9062 | 0.437 | 0.343 | 0.687 | 0.012 | 0.032 | |||||
GEFZ12T | 12.70 | 25.40 | 12.70 | 9.91 | 20.65 | 0.3 | 0.81 | 9 | 26 | 39 | 0.029 |
0.5 | 1 | 0.5 | 0.39 | 0.813 | 0.012 | 0.032 | |||||
GEFZ14T | 14.29 | 27.78 | 14.27 | 11.10 | 23.01 | 0.3 | 0.81 | 9 | 33 | 49 | 0.042 |
0.5625 | 1.0937 | 0.562 | 0.437 | 0.906 | 0.012 | 0.032 | |||||
GEFZ15T | 15.88 | 30.16 | 15.88 | 12.70 | 25.40 | 0.3 | 0.81 | 8 | 41 | 61 | 0.053 |
0.625 | 1.1875 | 0.625 | 0.5 | 1 | 0.012 | 0.032 | |||||
GEFZ19T | 19.05 | 36.51 | 19.05 | 15.06 | 30.15 | 0.3 | 1.12 | 9 | 59 | 88 | 0.094 |
0.75 | 1.4375 | 0.75 | 0.593 | 1.187 | 0.012 | 0.044 | |||||
GEFZ22T | 22.23 | 39.69 | 22.23 | 17.86 | 33.32 | 0.6 | 1.12 | 9 | 89 | 133 | 0.119 |
0.875 | 1.5625 | 0.875 | 0.703 | 1.312 | 0.024 | 0.044 | |||||
GEFZ25T | 25.40 | 44.45 | 25.40 | 20.24 | 38.10 | 0.6 | 1.12 | 9 | 115 | 172 | 0.173 |
1 | 1.75 | 1 | 0.797 | 1.5 | 0.024 | 0.044 | |||||
????